Tooted
Tõmbevarras
  • TõmbevarrasTõmbevarras
  • TõmbevarrasTõmbevarras
  • TõmbevarrasTõmbevarras

Tõmbevarras

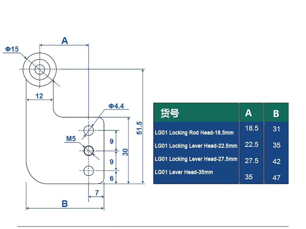
Yitai Lock on usaldusväärne tõmbevarda tootja tööstuskapi rakenduste jaoks. Seda tõmbevarda saab kasutada kappides nagu jaotuskastid ja lülitusseadmed. Lukuplaadi ühendamine lukustusmehhanismiga hõlbustab nii ülemise kui ka alumise uste sünkroniseeritud lukustamist, suurendades seeläbi turvakaitset ja vargusvastast jõudlust.

Professionaalse tõmbevarda tootjana toodab Yitai Lock tööstuslike kapi mehhanismide jaoks kindlaid ja usaldusväärseid käivitusvardasid. Seda tõmbevarda saab kohandada vastavalt erinevatele kapimõõtmetele (välja arvatud väiksemad suurused, mis tekivad tööjõukulud; vastasel juhul arvutatakse kulud suuruse ja läbimõõdu põhjal ilma kohandamistasudeta). See ühildub kõigi kapi tüüpidega.

Tootemudel LG -seeria lukustushoob
materjalid Triikraud
värvus tsingitud raud
Tooteomadused Painduv pöörlemine/paksendatud paneel/korrosioonivastane ja vastupidav
Rakendusala Jaotuskast/kapp/kapp/igasugused tööstuskastid

Ohutus

See tõmbevarras on valmistatud rauast, pakkudes head mehaanilist tugevust ja vastupidavust. Kui kapi keskele paigaldatakse lukk, suurendab tõmbe varda lisamine turvalisust nii kapi üla- kui ka alaosas, pakkudes suuremat usaldusväärsust. See sobib kõrge ohutusnõuetega stsenaariumide jaoks ja hoiab ära juhusliku töö põhjustatud seadme riskid.


Valik

Valimisel mõõtke täpselt kapi kõrguse ja lukustuspunkti asendid, et veenduda, et varda mõõtmed vastaksid kapile. Valige eeldatava töösageduse põhjal sobiv läbimõõdu spetsifikatsioon.


Paigaldus ja hooldus

Tõmbavarda paigaldamisel kinnitage kõigepealt juhtkomponendid ja ühendage need lukustusplaadiga. Soovitatav on perioodiliselt pingutada kõik lahtised kruvid ja hoida tõmbe varda liikuvad osad puhtaks. Kandke regulaarselt sobiv kogus määrdeaineid.

Pull RodPull RodPull RodPull RodPull RodPull RodPull RodPull RodPull RodPull RodPull RodPull RodPull RodPull RodPull RodPull RodPull RodPull RodPull RodPull Rod


KKK

K: Millised on selle lukustusriba kohandatavad pikkuse valikud?

V: Saame pikkusi kohandada teie konkreetsete nõuete põhjal, tavaliselt vahemikus 300 kuni 2000 mm.


K: Kas seda saab kasutada mittestandardsete kapi kehade jaoks?

V: Jah, toetame mittestandardset kohandamist. Esitage lihtsalt täpsed mõõtmed.


K: Kas paigaldamine nõuab spetsiaalseid tööriistu?

V: Paigaldamiseks piisab standardtööriistadest.


K: Kas seda saab mitu korda uuesti installida?

V: Tugev disain toetab korduvat lahtivõtmist ja uuesti kokkupanemist.


K: Kas see deformeerub saatmise ajal?

V: Turvaline pakend hoiab ära normaalse transpordi ajal deformatsiooni. Kompenseerime või ümber lükatakse ümber kahjustatud käitlemisest põhjustatud kahju.



Kuumad sildid: Tõmbevarras
Seotud kategooria
Saada päring
Kontaktinfo
Riistvara lukustuse, riistvara liigendi, riistvara käepideme või hinnaloendi päringute saamiseks jätke oma e -kiri meie juurde ja me võtame ühendust 24 tunni jooksul.
X
Kasutame küpsiseid, et pakkuda teile paremat sirvimiskogemust, analüüsida saidi liiklust ja isikupärastada sisu. Seda saiti kasutades nõustute meie küpsiste kasutamisega. Privaatsuspoliitika
Keeldu Nõustu